远为国际贸易(无锡)有限公司
类别:日本进口渠道
型号:PSMS-R3E1H
价格:¥1000.00
发布时间:2026-3-31 11:40:27
简介: 日本 Yaskawa安川.bestact.,高温用单独类型的磁接近开关 PSMS-R3E1H(大容量型)
高温用单独类型的磁接近开关 PSMS-R□E1H(大容量型) 密封磁接近开关,耐高温和湿度,可靠且寿命长。 目录下载 联系我们(如果您希望请求样品,请在此处联系我们。) ▼特点 内置Bestact接触的单独类型接近开关,几乎不受灰尘、气体、高湿度等环境因素的影响,并且具有出色的接触可靠性。 由于使用磁铁的非接触驱动,没有机械磨损且寿命长。 驱动不需要电源,使其具有经济性。
类型
切换单位
PSMS-R2E1H
PSMS-R3E1H
磁体单位
PSMS-M215T
PSMS-M325T
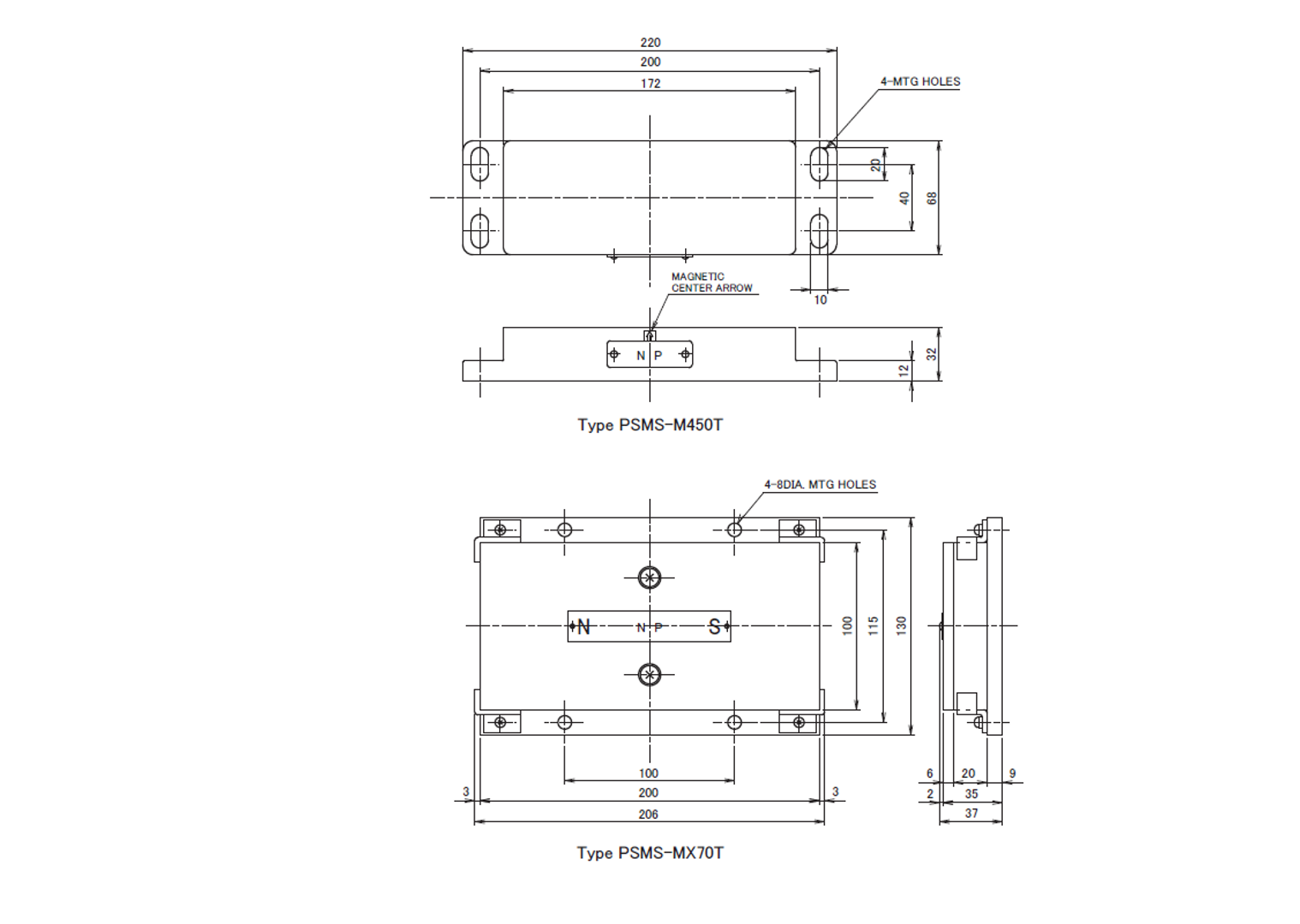
PSMS-M450T
PSMS-MX70T
敏感距离:毫米 *1
15
25
五十
70
最大灵敏距离 mm *2
16到24
30到40
65 到 85
100到110
联系安排
1号
集成 Reed 开关:Bestact 型
R15
联系表现
参考Bestact 型号 R25 & R15 规格表
额定绝缘电压
250VAC (50/60Hz)
绝缘 特性
绝缘电阻
5MΩ 或更大(使用 500VDC 兆欧表)
耐压 (50/60Hz)
1500V交流电 1分钟 (断开触点:800V交流电)
抗振动性
IEC 61373 1类B级
冲击特性
附件
相当于IP67
连接方法(电缆)*3
0.75平方毫米 2根导体 长3米
环境温度 (无冻结或 冷凝)
操作
-25 到 +130℃
存储
-40至+150℃
约重
200克
300克
160克
350克
1200克
4600克
注意:*1. 当开关和磁体组件都安装在铁板上时,在环境温度为+20℃时可检测的距离。设定间隙 环境温度T(℃)可以通过以下方程计算。 设定间隙(mm)=额定敏感距离×{1-0.0018(T-20)} *2. 最大可检测距离是指当开关安装在非磁性材料上时,在环境温度为+20℃时磁体组件和开关组件之间的最大可检测距离。(值的范围显示了每个产品的性能差异,而不是由于重复操作引起的差异。) *3. 只有开关组件配备电缆。
YASKAWA PSMO-25E1T 磁性开关
Yaskawa PSMM-R3E1H 磁性开关
YASKAWA PSMS-MX70T 磁性开关
YASKAWA PSMS-M105 磁性开关
YASKAWA PSMS-M325T 磁性开关
YASKAWA PSMS-R1E1 磁性开关
YASKAWA PSMS-M450T 磁性接近开关
Yaskawa PSMS-R3E1H 开关
YASKAWA PSMO-25E1TH 磁性开关
YASKAWA PSKU-110C 传感器
该产品没有收到任何评价!
18015336268
24小时客服热线
在线客服
CopyRight © 2018 yuanwei-trade.com All Rights Reserved.远为国际贸易(无锡)有限公司
技术支持:牵牛建站 | 中科商务网 | 网站管理